150-6179-9835

永磁修整轴


技术参数 Technical parameters
型号
Type
电机参数
Motor Specifications
润滑
Lubrication
冷却
Coolant
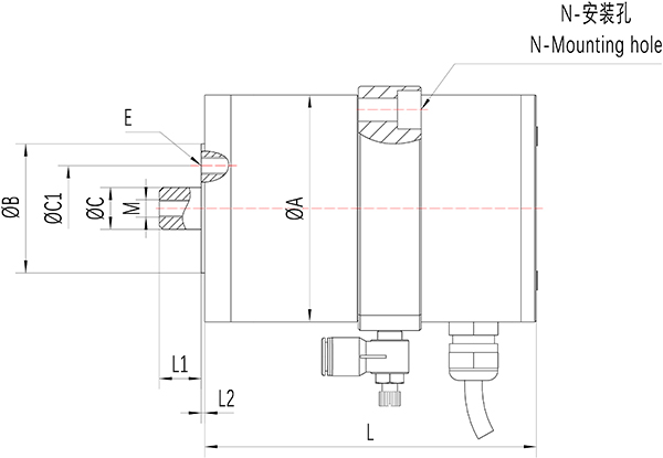
外形尺寸
Overall Dimensions
转速 speed
(r/min)
频率 Frequency
(HZ)
功率
Power
电压
Voltage
电流
Current
∅A ∅B ∅C L L1 L2 ∅B1 E M N-安装孔
N-Mounting hole
额定转速 高转速 额定频率 高频率 (KW) (V) (A)
65MTXF06Z0.48 6000 500 0.48 220 2 油脂
Grease
自然
Nature
65 37 12 95 12 13 38 4-M5 M5 4-M6

点击图片查看大图


上一篇:永磁工件轴
下一篇:永磁修整轴
无锡沃维科技有限公司[官网]
无锡沃维科技有限公司[官网]

Wuxi Wowei Technology Co.,LTD

扫一扫
打开手机站

快速导航
官网首页 关于沃维 产品中心 新闻动态 人才招聘 联系我们
联系我们

联系人:郭先生

手 机:150 6179 9835

网 址:www.wxwwkj.com

邮 箱:Stark@wxwwkj.com

地 址:江苏省无锡市惠山区钱桥街道万东路9号